Product display产品展示

产品展示

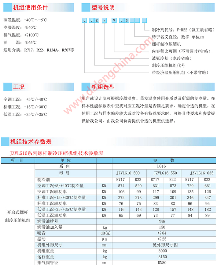
型号: JZVLG16
类别: 螺杆式制冷压缩机
品名: 螺杆式制冷压缩机
冷量(kw): 不用填写
缸径: 不用填写
缸数: 不用填写
转数: 不用填写
  产 品 介 绍        产品技术说明与比较仅限于与本公司历代产品比较,不针对同行业产品及非本公司产品

螺杆制冷压缩机设计特点:

1,齿型采用双边不对称圆弧椭圆型线设计方案,接触线短,泄露三角形小,齿合平稳,密封性好,效率高,采用5:7齿,基元面积对比4:6齿多,使得基元容积对之间的压力差减小,泄露减小,容积效率提高。

2,变排量多种机型,实施能够降低自身排气量且内容积比不变的螺杆式压缩机,实现同一转子直径排气量系列多种机型,无附加听骨失功.

3,转子采用球磨铸铁替代钢材料,其耐磨性,自润滑性,吸音性,减振性,膨胀系统等都优于钢制转子,提高压缩机寿命及可靠性.

4,压缩机整体设计改变了传统压缩机的排气方向.

5,采用优质密封结构,其结构简单,密封可靠.

6,采用进口滚动轴承,承受转子轴向力及径向力.保证了转子定位,延长运转寿命,保证压缩机在不同工况,不同负荷条件下运行.

7,排气量可调,节省运行费用.

8,压缩机轴承,转子,机械密封等部位采用压差供油,机组配置启动用预润滑油泵供油,减少压缩机组的故障点并降低机组的功率消耗.
  技 术 数 据        产品技术说明不针对同行业产品及非本公司产品,数据如有变动 恕不另行通知!请以实际为准!

 < 返 回 >